Δυνητικός μετασχηματιστής PT
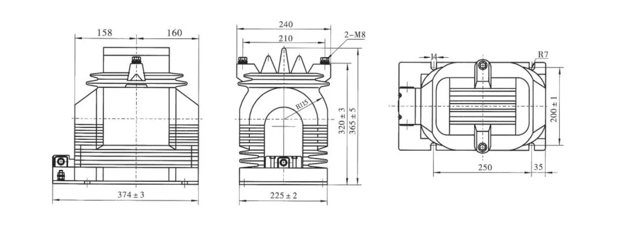
Μονοφασικός μετασχηματιστής δυναμικού 13,8 Kv σε Υποσταθμό
  • Μονοφασικός μετασχηματιστής δυναμικού 13,8 Kv σε ΥποσταθμόΜονοφασικός μετασχηματιστής δυναμικού 13,8 Kv σε Υποσταθμό

Μονοφασικός μετασχηματιστής δυναμικού 13,8 Kv σε Υποσταθμό

Για την παραγωγή ενός αξιόπιστου μονοφασικού μετασχηματιστή δυναμικού 13,8 kv στον υποσταθμό, η Wenzhou XiFa Electric Power Equipment Co., Ltd υιοθετεί τον ηλεκτρικό χάλυβα υψηλής ποιότητας CRGO ως κύριο υλικό πυρήνα για τη μείωση της τιμής απώλειας και τη βελτίωση της κατηγορίας ακρίβειας, και το εμαγιέ χάλκινο σύρμα υψηλής αντοχής ως το κύριο υλικό του πηνίου και τη διασφάλιση της περιέλιξης μέσω στροφών. Όλο και περισσότερο, κάθε μονοφασικός μετασχηματιστής δυναμικού 13,8 kv στον υποσταθμό υιοθετεί τη διαδικασία παραγωγής χύτευσης κενού εποξειδικής ρητίνης για να δημιουργήσει μια συνολική στερεοποιημένη δομή που δεν απορροφά εύκολα την υγρασία, η οποία είναι κατάλληλη για ζεστά, υγρά και σκονισμένα περιβάλλοντα.

Χαρακτηριστικά προϊόντος:

Ένας Μονοφασικός Δυναμικός Μετασχηματιστής 13,8 Kv σε Υποσταθμό έχει σχεδιαστεί για να μειώνει την κύρια τάση των 13,8 kv σε μια τυπική δευτερεύουσα τάση, όπως 100 ή 110 βολτ. Στη συνέχεια, η μειωμένη τάση παρέχεται στις παράλληλες περιελίξεις για τη μέτρηση των οργάνων και των προστατευτικών ρελέ, επιτρέποντας την έμμεση πραγματοποίηση μετρήσεων της κύριας τάσης με όργανα χαμηλής τάσης. Μια τέτοια προσέγγιση απλοποιεί τον σχεδιασμό του οργάνου, εξοικονομεί κόστος και διασφαλίζει την ασφάλεια τόσο του εξοπλισμού όσο και του λειτουργικού προσωπικού.


Η αρχή λειτουργίας ενός μονοφασικού μετασχηματιστή δυναμικού 13,8 kv είναι ίδια με έναν μετασχηματιστή διανομής ισχύος, του οποίου ο λόγος μετασχηματισμού καθορίζεται από τον αριθμό των στροφών στα πρωτεύοντα και δευτερεύοντα πηνία. Η αύξηση του αριθμού των δευτερευουσών στροφών μειώνει την αναλογία, ενώ η αύξηση του αριθμού των πρωταρχικών στροφών την αυξάνει. Είναι σημαντικό να σημειωθεί ότι σε καμία περίπτωση δεν πρέπει το δευτερεύον κύκλωμα ενός μονοφασικού μετασχηματιστή δυναμικού 13,8 kv να βραχυκυκλώνεται κατά τη λειτουργία.

13 8 Kv Single Phase Potential Transformer In Substation

Τεχνική Προδιαγραφή:

Τύπος Ονομαστική αναλογία τάσης (kV) Κατηγορία Ακρίβειας Κατηγορία Ακρίβειας και Ονομαστική έξοδος cosΦ=0,8 Το Max. Έξοδος (VA)
0.2 0.5 1 6 (P)
JDZ11-15 (15/√3)/(0,1/√3)/(0,1/3) 0,2/6P 0,5/6P 1/6P 30 80 150 100 400
JDZ11-20 (20/√3)/(0,1/√3)/(0,1/3)
JDZ11-15 (15/√3)/(0,1/√3)/(0,1/√3)/(0,1/3) 0,2/0,2/6P 0,2/0,5/6P 15 20 N/A 100 2*200
JDZX11-20 (20/√3)/(0,1/√3)/(0,1/√3)/(0,1/3)

13 8 Kv Single Phase Potential Transformer In Substation

Συχνές ερωτήσεις προϊόντος:

Ε: Πώς διαφέρει ένας μονοφασικός μετασχηματιστής δυναμικού 13,8 kv από έναν μετασχηματιστή ισχύος 13,8 kv;

Α: Ενώ και οι δύο είναι συσκευές μετατροπής τάσης, ένας μονοφασικός μετασχηματιστής δυναμικού 13,8 kv έχει σχεδιαστεί για μέτρηση και προστασία αντί για μεταφορά ισχύος. Η ονομαστική του επιβάρυνση είναι σχετικά μικρή, συνήθως εκφρασμένη σε VA, ενώ οι μετασχηματιστές ισχύος χειρίζονται φορτία σε μεγαλύτερη τιμή η οποία μετράει σε kVA ή MVA.


Ε: Ποιες μέθοδοι μόνωσης χρησιμοποιούνται σε μονοφασικό μετασχηματιστή δυναμικού 13,8 kv;

Α: Οι περισσότεροιδυνητικούς μετασχηματιστέςσε αυτό το επίπεδο τάσης χρησιμοποιήστε μόνωση από χυτή εποξειδική ρητίνη για εσωτερικούς χώρους ή περιβλήματα πορσελάνης/σιλικόνης για εξωτερικές εγκαταστάσεις. Ορισμένα σχέδια χρησιμοποιούν μόνωση βυθισμένη στο λάδι για να επιτύχουν εκτεταμένη διάρκεια ζωής και υψηλότερη θερμική ικανότητα.


Ε: Πώς πρέπει να συνδεθεί ένας μονοφασικός μετασχηματιστής δυναμικού 13,8 kV σε έναν υποσταθμό;

Α: Για μέτρηση φάσης προς γείωση, το πρωτεύον PT συνδέεται μεταξύ μιας φάσης και γείωσης. Σε ένα τριφασικό σύστημα, ένα σύνολο μονοφασικών PT ή μια τριφασική μονάδα PT μπορεί να χρησιμοποιηθεί για τη μέτρηση των τάσεων γραμμής σε γραμμή και γραμμής προς γείωση.


Ε: Τι προβλήματα μπορεί να προκύψουν με τους μονοφασικούς μετασχηματιστές δυναμικού 13,8 kV σε υποσταθμούς;

Α: Τα κοινά προβλήματα περιλαμβάνουν την υποβάθμιση της μόνωσης, τον συντονισμό σιδηροδρόμων υπό ορισμένες συνθήκες μεταγωγής, την υπερθέρμανση λόγω υπερβολικής επιβάρυνσης και τις συνθήκες ανοικτού δευτερεύοντος κυκλώματος που μπορεί να προκαλέσουν επικίνδυνα υψηλές τάσεις.



Hot Tags: 13,8 Kv Μονοφασικός Δυναμικός Μετασχηματιστής σε Προμηθευτής Υποσταθμών, Δυνητικός Μετασχηματιστής Υποσταθμών Χονδρική
Αποστολή Ερώτησης
Πληροφορίες επαφής
  • Διεύθυνση

    No. 391, Jingqi Road, Yanpan Industrial Zone, Yueqing City, Zhejiang Province, Κίνα

  • ΗΛΕΚΤΡΟΝΙΚΗ ΔΙΕΥΘΥΝΣΗ

    info@xifaele.com

Για να λάβετε την προσφορά σας το συντομότερο δυνατό

XiFa-ο αξιόπιστος προμηθευτής ηλεκτρικού εξοπλισμού σας
X
Χρησιμοποιούμε cookies για να σας προσφέρουμε καλύτερη εμπειρία περιήγησης, να αναλύσουμε την επισκεψιμότητα του ιστότοπου και να εξατομικεύσουμε το περιεχόμενο. Χρησιμοποιώντας αυτόν τον ιστότοπο, συμφωνείτε με τη χρήση των cookies από εμάς. Πολιτική Απορρήτου
Απορρίπτω Αποδέχομαι